IP地址
IP地址(Internet Protocol Address):互联网上的每一个主机都有一个IP地址。最初是IPv4版本,32bit(4字节),例如192.168.1.10,在2019年11月25日,全球的IP地址已经用完。后面推出了IPv6版本,128bit(16字节)。
IP地址的组成方式
IP地址由2部分组成:网络标识(网络ID)、主机标识(主机ID)
- 网络ID 表示你在哪一个网段
- 主机ID 表示你是当前网段的哪一台主机 (主机ID的 bit位不能全为0和全为1,全0表示网段,全为1表示广播)
我们可以通过子网掩码(subnet mask)可以得知网络ID 、主机ID。 主机所在的网段 = 子网掩码 & IP地址,举例:
IP地址: 192.168.1.10
子网掩码: 255.255.255.0
1100 0000.1010 1000.0000 0001.0000 1010
& 1111 1111.1111 1111.1111 1111.0000 0000
-----------------------------------------------
1100 0000.1010 1000.0000 0001.0000 0000
网段 192.168.1.02
3
4
5
6
7
8
计算机和其他计算机通信前,会先判断目标主机和自己是否在同一网段。判断是否跟自己在同一网段: 目标IP & 自己的子网掩码
- 同一网段:不需要由路由器进行转发
- 不同网段:交由路由器进行转发
IP地址分类
IP 地址分为 A类、B类、C类、D类、E类。
| Class | 前缀位(bit) | 网络ID(bit) | 主机ID(bit) | 子网掩码 | 每个网络的主机数 |
|---|---|---|---|---|---|
| A类地址 | 0 | 8 | 24 | 255.0.0.0 | 16,777,214 |
| B类地址 | 10 | 16 | 16 | 255.255.0.0 | 65,534 |
| C类地址 | 110 | 24 | 8 | 255.255.255.0 | 254 |
| D类地址(群播) | 1110 | 未定义 | 未定义 | 未定义 | 未定义 |
| E类地址(保留) | 1111 | 未定义 | 未定义 | 未定义 | 未定义 |
注意:主机ID全为0,表示主机所在网段。主机ID全为1,表示主机所在网段的全部主机(广播),可以尝试ping某个网段的全部主机。例如ping 192.168.160.255
A类地址

- 网络ID: 取值范围
0~127,全为0不能用,127作为保留网段使用,其中127.0.0.1是本地环回地址,代表本机地址 - 主机ID: 第2、3、4部分的取值范围
0~255 - 最大主机数:
256 * 256 * 256 - 2 = 16777214。(-2 的原因是因为主机位bit位全为0和全为1时不能使用)
B类地址

- 网络ID: 第一部分取值范围
128-191,第二部分取值范围0~255 - 主机ID: 第3、4部分的取值范围
0~255 - 最大主机数:
256 * 256 - 2 = 65534(-2 的原因是因为主机位bit位全为0和全为1时不能使用)
C类地址

- 网络ID: 第一部分取值范围
192-223,第2、3部分取值范围0~255 - 主机ID: 第4部分的取值范围
0~255 - 最大主机数:
256 - 2 = 254(-2 的原因是因为主机位bit位全为0和全为1时不能使用)
子网掩码的CIDR表示方法
CIDR表示方法是一个用于给用户分配IP地址以及在互联网上有效地路由IP数据包的对IP地址进行归类的方法。例如
192.168.1.100/24代表子网掩码有24个1,也就是255.255.255.0123.210.100.200/16代表子网掩码有16个1,也就是255.255.0.0
子网划分
子网划分指的是从当前网段划分出多个网段。
为什么要进行子网划分
一个C类网段可以分配254台主机,如果需要让500台主机在同一个网段内,那就分配一个B类网段,比如191.100.0.0/16,而一个B类网段共有65534个可用IP,为了500台主机就是用B类网段属于极大的浪费资源,我们可以通过子网划分更好的利用资源。
子网划分的原理是借用主机位作子网位,划分出多个子网,可以分为:
- 等长子网划分:将一个网段等分成多个子网,每个子网的可用IP地址数量是一样的
- 变长子网划分:每个子网的可用IP地址数量可以是不一样的
子网划分的步骤:
- 确定子网的子网掩码长度
- 确定子网中第1个、最后1个主机可用的IP地址
等长子网划分
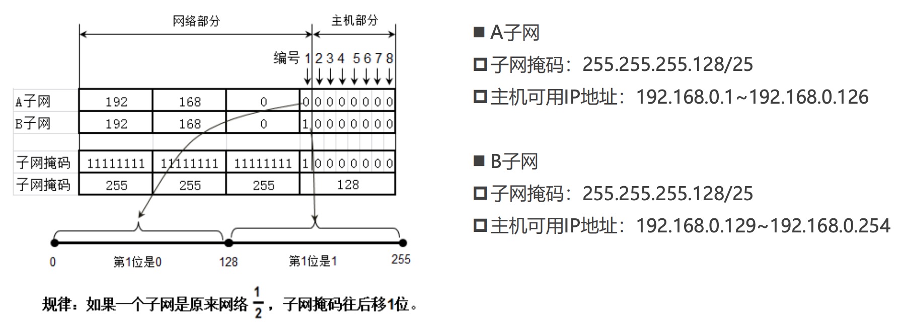
占用主机bit位作为网络ID。例如图中192.168.0.0网段划分成A/B两个等长子网。
- A子网网段为
192.168.0.0/25,主机可用IP地址取值范围为192.168.0.1~192.168.0.126 - B子网网段为
192.168.0.128/25,主机可用IP地址取值范围为192.168.0.129~192.168.0.254 - A/B的子网掩码为
255.255.255.128/25
子网掩码每往后移一位,子网是原来网络的二分之一。例如 子网掩码往后移2位,会划分为4个网段。 
变长子网划分
变长子网指的将一个网段划分成不同长度的子网。
根据前面说的知识,只要子网掩码往后偏移,子网就是当前网段的二分之一。不等长的子网,它们的子网掩码也不同。如下图: 
超网划分
超网跟子网反过来,它是将多个连续的网段合并成一个更大的网段。
例如下面这张图,将192.168.0.0/24、192.168.1.0/24合并为一个网段:192.168.0.0/23(子网掩码往左移动1位),子网掩码255.255.254.0/23。如果想要更多的主机,可以向左移动2位,子网掩码每向左移动一位,能装纳的主机数就是上一位的倍数。 
子网划分是子网掩码向右移动,超网划分是子网掩码向左移动。合并网段的规律:
- 第一个网段的网络号以二进制0结尾,那么由它开始连续的2个网段,能通过左移1位子网掩码进行合并
- 第一个网段的网络号以二进制00结尾,那么由它开始连续的4个网段,能通过左移2位子网掩码进行合并
- 第一个网段的网络号以二进制000结尾,那么由它开始连续的8个网段,能通过左移3位子网掩码进行合并
192.168.0.0/24 192.168.00000000.0
192.168.1.0/24 192.168.00000001.0
192.168.2.0/24 192.168.00000010.0
192.168.3.0/24 192.168.00000011.0
192.168.4.0/24 192.168.00000100.0
192.168.5.0/24 192.168.00000101.0
192.168.6.0/24 192.168.00000110.0
192.168.7.0/24 192.168.00000111.02
3
4
5
6
7
8
9
默认情况下,A类子网掩码的位数是8,B类子网掩码的位数是16,C类子网掩码的位数是24。
判断一个网段是子网还是超网:
- 如果该网段的子网掩码位数比默认子网掩码多,就是子网
- 如果该网段的子网掩码位数比默认子网掩码少,则是超网